|  | 
  
    |  | 
  
    |  | 
  
    |  | 
  
    | PRODUCTS | 
  
    |  | 
  
    |  |  |  |  |  |  | 
  
    |  | 
  
    |  |  |  | 
  
    |  | 
  
    |  | 
  
    | Case  Type (Lead Spacing 7.5mm) | 
  
    |  | 
  
    | 
 | 
      
      
        |  | Unit : mm |  
        | SYMBOL | SPECIFICATIONS | SYMBOL | SPECIFICATIONS |  
        | VALUE | TOL. | VALUE | TOL. |  
        | A | 12.5 | max | W | 18.0 | +1.0-0.5 |  
        | T | 6.5 | max | Wo | 12.5 | min |  
        | dΦ | 0.6 | ±0.05 | W1 | 9.0 | ±0.5 |  
        | P | 12.7 | ±1.0 | W2 | 3.0 | max |  
        | Po | 12.7 | ±0.3 | Ho | 16.0 | ±0.5 |  
        | P1 | 2.6 | ±0.7 | P3 | 12.0 | max |  
        | P2 | 6.35 | ±1.3 | Do | 4.0 | ±0.2 |  
        | F | 7.5 | ±0.5 | t | 0.7 | ±0.2 |  
        | Δ h | 0 | ±2.0 | L | 11.0 | max |  | 
  
    |  | 
  
    |  |  |  | 
  
  
  
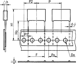
    |  |  | Case Type(Lead Spacing 10, 15mm) | 
  
  
    |  |  |  | 
  
    |  | 
   
    |  |  | 
 | 
      
      
        |  | Unit : mm |  
        | SYMBOL | SPECIFICATIONS | SYMBOL | SPECIFICATIONS |  
        | VALUE | TOL. | VALUE | TOL. |  
        | H1 | 32.0 | 35.0 | max | W | 18.0 | +1.0-0.5 |  
        | dΦ | 0.6 | 0.8 | ±0.05 | Wo | 12.5 | min |  
        | P | 25.4 | ±1.0 | W1 | 9.0 | ±0.5 |  
        | Po | 12.7 | ±0.3 | W2 | 3.0 | max |  
        | P1 | 7.7 | 5.2 | ±0.7 | Ho | 18.5 | ±0.5 |  
        | P2 | 12.7 | ±1.3 | 16.5 | ±0.5 |  
        | F | 10.0 | 15.0 | ±0.5 | Do | 4.0 | ±0.2 |  
        | Δ h | 0 | ±2.0 | t | 0.7 | ±0.2 |  | 
  
    |  |  |  | 
  
    |  |  |  | 
  
    |  | 
  
    | Case Type(Lead Spacing 22.5, 27.5 mm) | 
  
    |  |  |  | 
  
    |  |  | 
 | 
      
      
        |  | Unit : mm |  
        | SYMBOL | SPECIFICATIONS | SYMBOL | SPECIFICATIONS |  
        | VALUE | TOL. | VALUE | TOL. |  
        | H1 | 39.0 | 42.0 | max | W | 18.0 | +1.0-0.5 |  
        | dΦ | 0.8   | 0.8 | ±0.05 | Wo | 12.5 | min |  
        | P | 38.1 | ±1.0 | W1 | 9.0 | ±0.5 |  
        | Po | 12.7 | ±0.3 | W2 | 3.0 | max |  
        | P1 | 7.8   | 5.3 | ±0.7 | Ho | 18.5 | ±0.5 |  
        | P2 | 19.05 | ±1.3 | 16.5 | ±0.5 |  
        | F | 22.5   | 27.5 | ±0.5 | Do | 4.0 | ±0.2 |  
        | Δ h | 0 | ±2.0 | t | 0.7 | ±0.2 |  | 
  
    |  |  |  | 
  
    |  |  | 
  
  
  
    |  |  |  |  | 
  
    |  |  |  | 
  
  
    |  |  |  | 
  
  
    |  |  | 
      
        | Pages : |  |  |  |  | 
  
  
    
  
  
    | Copyright © 2007  Madhu Subtronic Components Pvt. Ltd. All rights reserved. |